You must Sign-in or Register to post messages in the Hobby Squawk community
Registration is FREE and only takes a few moments

Register now

Announcement

Collapse
No announcement yet.

Alternative motor windings and drive schemes

Collapse
X
Collapse
First Prev Next Last
 
  • Filter
  • Time
  • Show
Clear All
new posts

  • Everything is here for a solid state drive Duke Univ would be glad I took it back to 1962 for a brainless man.



    Hubert
    Attached Files
    State-of-the-art PMSM/BLDC motor control solution for aerospace applications and robotics - Télega - Zubax Robotics
    MOTORS FOR RC SURFACE VEHICLES - NEU RACING​​​​

    Comment


    • The MC33035's six step logic based BLDC motor control IC's are here.


      Hubert
      Attached Files
      State-of-the-art PMSM/BLDC motor control solution for aerospace applications and robotics - Télega - Zubax Robotics
      MOTORS FOR RC SURFACE VEHICLES - NEU RACING​​​​

      Comment


      • Hi,
        No not Poor, I am rich, only 0.07 % of Germans have the same income as I do. Your answer would not have had to be long as now 10 individual posters, which is very inefficient. You would have to write if you understand something about electric motors, yes Christian, you are right my engine is really iron deficiency, I can't compensate for it. Even more special magnetic systems do not help with the thin iron. Bad luck, there are limits for the engine.
        Why am I writing to you here? You know I promised Jim before his death, should I stop? I don't have to write here, it is a waste of time.
        In RC Network you are at the end. Okon only gets old sheet metal cuts, or only has old garbage in his supply box from China. He still wants to get rid of that, then it's over. They have no money for new engines. Uninterested. I am still writing a little for better windings, but you cannot realize them. You will see there will be no new record this year, not for you either.
        With the German Saw, thanks to Lehner's new engines. You don't know yet, it is not so important either. We have new battery cells this year too, will be very interesting.
        So I should stop writing here, okay I do.
        Good luck, greetings to the mom.

        Happy amps Christian​

        Comment


        • Ok now. Lets build some drives boys. I have some things to show you much more interesting and valuable into the motor rewind and power electronics sections of a forum than posting my financial portfolio, false narratives that include my deceased friend they dont know and hoping for someone else failure.
          State-of-the-art PMSM/BLDC motor control solution for aerospace applications and robotics - Télega - Zubax Robotics
          MOTORS FOR RC SURFACE VEHICLES - NEU RACING​​​​

          Comment


          • Es ist wirklich traurig, denn er kennt den verstorbenen James Allen nicht, abgesehen von ein paar Thread-PMs. Wenn er ihn um Hilfe gebeten hat, wie passen dann der Verleumdungsthread auf Helifreaks und sein Verhalten hier zusammen? Christians Mund ist so voller Schwänze, dass es erbärmlich ist. Warum sollte ein afroamerikanischer Marine, der in Vietnam gedient hat, starke Bindungen zu einem elitären Deutschen haben, der rassistische Beleidigungen verwendet? Ich habe ihn kurz mit James bekannt gemacht, also kann ich Ihnen versichern, dass er sehr wenig über James oder mich weiß. Er hat nie mit einem von uns am Telefon gesprochen. Er kann Ihnen nicht einmal sagen, wie unsere Stimmen klingen. Überhaupt nicht. Was ich gelernt habe, ist, dass Christian in offenen Foren nicht ehrlich sein kann. Er ist ein überzeugter Lügner. Niemand hat ihn gebeten, etwas für Hubert zu tun. Besonders, wenn sie ganz genau wissen, dass ich nichts von ihm brauche und nie etwas von ihm gebraucht habe. Er erschafft in seinem Kopf die Vorstellung, dass er ganze Menschen erschaffen hat oder dass sie seine Hilfe brauchen. Ich nicht. Sie glauben, ich brauche in den letzten Wochen Input. Sieht es so aus, als ob ich Hilfe von irgendjemandem will oder brauche? Absolut nicht. Auf dieser Ebene zu lügen ist soziopathisch. Nur ein Soziopath wünscht sich das Versagen anderer. Sie drängen Lehner in die Threads anderer und wenn es heruntergevotet wird, schreiben die Poster einfach Müll und er zerstört den Thread mit dem umfassenden störenden Verhalten, das Sie hier sehen. Ich hoffe, Sie sperren ihn. Die Verwendung des Verstorbenen als Lüge ist ein riesiges Warnzeichen. Das ist wirklich verrückt und ich würde auf keinen Fall mit jemandem zusammenarbeiten, der in der Lage ist, eine solche Erzählung zu produzieren, um in den sozialen Medien sein Gesicht zu wahren. Er findet es beeindruckend, Ihnen seine finanzielle Situation zu erzählen und zu lügen, dass eine Person, die mein echter Freund war, ihn gebeten hat, mir zu helfen. Nichts davon hat etwas mit dem Thema zu tun. Und es ist nicht wahr.

            Sie, denken Sie, James Allen, haben ihn gebeten, rassistische Schimpfwörter zu verwenden und Leute in offenen Foren Idioten zu nennen, weil er nicht weiß, woraus eine Sinuswellenform besteht, um mir zu helfen?

            Absolut nicht. James Allen hätte mir gesagt, ich solle es mir in den rassistischen Arsch stecken. Jeder, der Jim wirklich kennt, weiß, dass ich überhaupt nicht lüge. Er hasste Rassisten und hasste noch mehr Leute, die die Threads anderer Leute mit wertvollen Inhalten stören.

            Ihn in einer Lüge zu erwähnen ist eine Farce, äußerst respektlos und moralisch minderwertig. Ich kann Ihnen versichern, dass sich ein solcher Mensch für den Rest seines Lebens nicht mehr mit mir einlassen wird.

            Wenn er mit uns befreundet gewesen wäre, hätte er dann das rassistische Schimpfwort „Pocboy“ geprägt?

            Er möchte, dass Sie glauben, ein afroamerikanischer Marine habe ihn auf seinem Sterbebett gebeten, mir zu helfen, aber in mehreren Threads nennt er mich im Grunde einen N#####R. Interessant ist die POCBOY-Klassifizierung, die für ihn „People of Color Boy“ bedeutete. Laut Powercroco und Christian bezeichnet man so Leute „wie mich“. Um ehrlich zu sein, sind sie klassische Rassisten gegen People of Color. Sonst würden sie diese Begriffe niemals verwenden, um über Elektromotoren zu sprechen.

            Dies ist in der Tat ein sehr beunruhigendes Verhalten.

            Ich persönlich kenne niemanden, der arrogante reiche Leute mag, aber er scheint zu glauben, dass die Dinge, die er sagt, in den technischen Abschnitten von Hobbyforen von Wert sind. Ich verstehe das wirklich nicht. Do you?

            Attached Files
            State-of-the-art PMSM/BLDC motor control solution for aerospace applications and robotics - Télega - Zubax Robotics
            MOTORS FOR RC SURFACE VEHICLES - NEU RACING​​​​

            Comment


            • Ich hoffe, niemandem fällt dabei die Kinnlade runter, denn ich finde es lustig und als technisches Argument ist es eine traurige Ausrede. Wie Sie hier sehen können, kann ein alter YGE 320 das nicht ... und der Grund, warum sie hier campen, ist, dass ein OPEN SOURCE-Wechselrichter wie dieser in den richtigen Händen für einen äußerst wettbewerbsfähigen Antrieb sehr interessant ist.

              ​​​​​Using Telega v1 with PX4-based flight controllers - Support / Telega electric propulsion - Zubax Forum

              Analog control (RCPWM et al) - Telega v1.0 Reference Manual

              Propeller dynamics identification - Telega v1.0 Reference Manual

              Woher weiß er, ob mit einem solchen Wechselrichter neue Rekorde aufgestellt werden?

              Click image for larger version  Name:	20250131_055255.png Views:	0 Size:	767.1 KB ID:	419197

              Sie wissen nichts über den Steueralgorithmus oder das Substrat des Leistungstransistors. Fragen Sie sie, wie man es verarbeitet, um es im Endbenutzergerät zu verwenden? Es wurden keine Fotos ihres SMT-Herstellungsprozesses bereitgestellt. Dies ist keine durchkontaktierte Komponente. Wo sind die PCB-Fertigungsmühle und die Reflow-Öfen ihrer Küchenlabors?​

              Click image for larger version  Name:	embarassed.gif Views:	0 Size:	6.6 KB ID:	419189
              Danke,
              Hubert​
              Attached Files
              State-of-the-art PMSM/BLDC motor control solution for aerospace applications and robotics - Télega - Zubax Robotics
              MOTORS FOR RC SURFACE VEHICLES - NEU RACING​​​​

              Comment


              • Click image for larger version  Name:	image (4).png Views:	0 Size:	90.4 KB ID:	419202

                Dann gehen Sie einen Schritt weiter und bieten den Schimpfkanonaden ein monolithisches 30-Volt-Durchsteckgerät an, das ihnen einen geschlossenen Hall-Loop von Anfang bis Ende ermöglicht, wenn sie das wirklich wollen und Sie beschimpfen. Das ist ihre Sache. Jemand, der Elektronik wirklich liebt und konstruktiv ist, hätte gesagt: „Hugh, kann ich einen dieser ICs haben oder einen Link, um sie zu finden und wo kann ich die richtigen Halls für sie bekommen und einrichten usw.“ Das ist eine positive Diskussion.

                Nicht in der Lage.​
                Attached Files
                State-of-the-art PMSM/BLDC motor control solution for aerospace applications and robotics - Télega - Zubax Robotics
                MOTORS FOR RC SURFACE VEHICLES - NEU RACING​​​​

                Comment


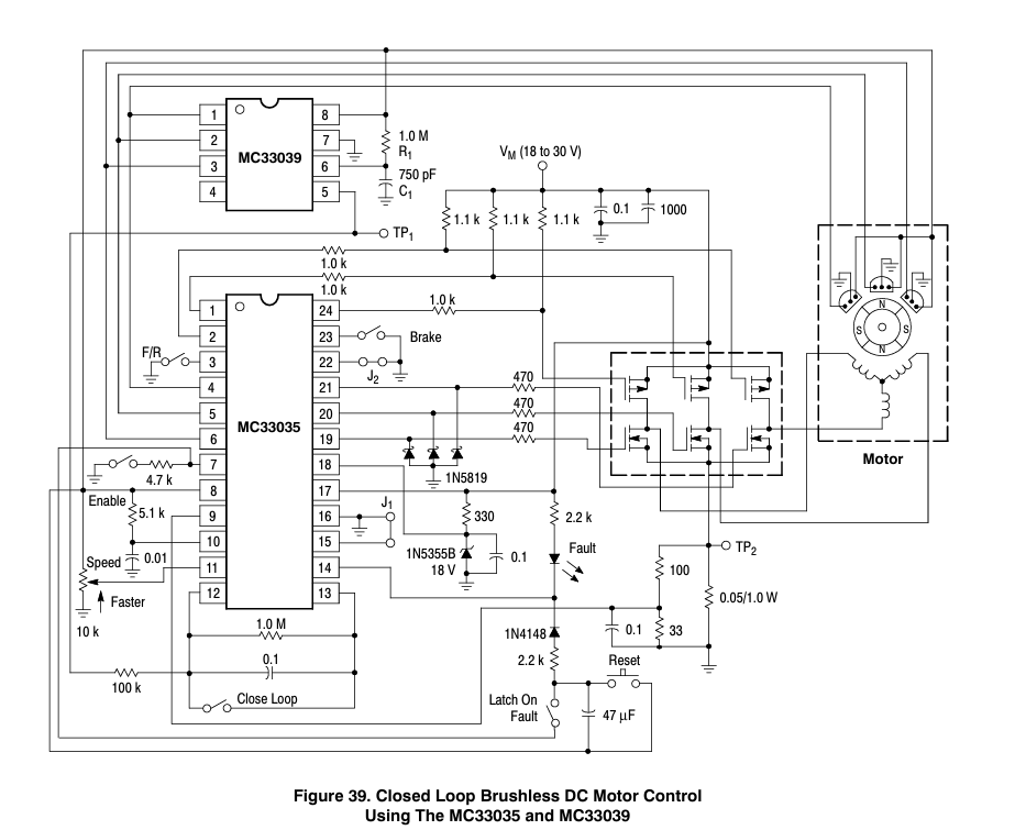
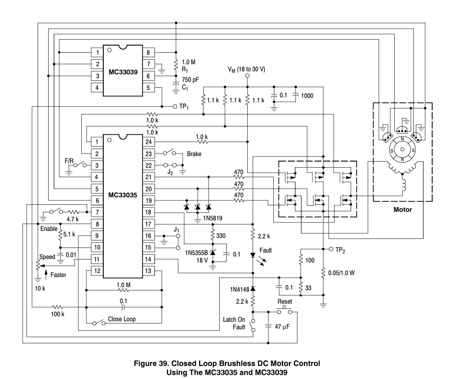
                • MC33035 closed loop BLDC drive schematic BOM

                  Qty.
                  1 - ONSEMI MC33035 BLDC IC (Motorola)
                  1 - ONSEMI MC33039 BLDC hall IC(Motorola)
                  1 - .05 ohm/1 watt shunt resistor *
                  1 - 33 ohm resistor
                  1 - 100 ohm resistor
                  1 - 330 ohm resistors
                  3 - 470 ohm resistors
                  3 - 1Kohm resistors
                  3 - 1.1Kohm resistors
                  2 - 2.2Kohm resistors
                  1 - 4.7Kohm resistor
                  1 - 5.1Kohm resistor
                  1 - 10Kohm potentiometer
                  1 - 100Kohm resistor
                  2 - 1Mohm resistors
                  5 - .1uf ceramic capacitors
                  1 - 47uf capacitor
                  1 - 1000 uf capacitor
                  1 - 750 pf capacitor
                  3 - 1N5819 Schottky Diodes
                  1 - 1N5355B 18 volt zener diode.

                  *Some of these values like the fet gate and current sense shunt resistors may need to be trimmed to the right values based on the expected current and voltage capacity of the drive and the power transistors selected.

                  Thanks,
                  Hubert
                  Attached Files
                  State-of-the-art PMSM/BLDC motor control solution for aerospace applications and robotics - Télega - Zubax Robotics
                  MOTORS FOR RC SURFACE VEHICLES - NEU RACING​​​​

                  Comment


                  • Click image for larger version  Name:	image.png Views:	0 Size:	772.7 KB ID:	419263


                    Here is a perfect example from a thread on ES of three hall switches embedded in the teeth of a stator. Something like this should be familiar to e-traction engineers.​ 🤧
                    State-of-the-art PMSM/BLDC motor control solution for aerospace applications and robotics - Télega - Zubax Robotics
                    MOTORS FOR RC SURFACE VEHICLES - NEU RACING​​​​

                    Comment


                    • For the future of electronics you really should purchase a re-ball machine as well. A real one is 35-50 BANDS!!!!! but ive been looking at a hobby grade for around 500.00 USD



                      Attached Files
                      State-of-the-art PMSM/BLDC motor control solution for aerospace applications and robotics - Télega - Zubax Robotics
                      MOTORS FOR RC SURFACE VEHICLES - NEU RACING​​​​

                      Comment


                      • Click image for larger version  Name:	image.png Views:	0 Size:	219.1 KB ID:	419323
                        $35,000.00​ x-ray on the extremely precise cartesian rack, so you can see right through the component to line up the balls or pad perfectly before reflow.
                        State-of-the-art PMSM/BLDC motor control solution for aerospace applications and robotics - Télega - Zubax Robotics
                        MOTORS FOR RC SURFACE VEHICLES - NEU RACING​​​​

                        Comment


                        • Those are really nice stators and going to do well for the speed Klan...😁 Did u know that you can have flussperren there if you alternate the cooling channels and their location. Youd only want six. This is flussperren for the dual layer 10 pole machine. Refer to Dr Gerling and Gurakuq's cut for the DL.

                          Ill have you know you would probably love if you run the inverter I'm designing with it. The Logic based monolithic IC from Motorola can probably clock at 128 Khz PWM looking at some others designs based around the chip. It can run a GaN based bridge as well. Im trying to incorporate a symmetrical power section with short paths from the drivers.

                          You should probably get into designing a drive just for your motors. Thats my plan for a complete power system

                          Look at what others are doing. Really nice work and making good power . Check out the motor build drive and wind of the motor above with hall sense.

                          I think you would enjoy the challenge and offer something more useful to the forums than fallacy, silly arguments, and unrelated propaganda.
                          Attached Files
                          State-of-the-art PMSM/BLDC motor control solution for aerospace applications and robotics - Télega - Zubax Robotics
                          MOTORS FOR RC SURFACE VEHICLES - NEU RACING​​​​

                          Comment


                          • ​20Kw 300 amperes FOC.

                            20Kw motor and 300A ESC (ultralight aircraft propulsion system) | Endless Sphere DIY EV Forum

                            Enjoy​ the dynamite electronic work. There are also very knowledgeable people there as well.

                            Click image for larger version

Name:	image.png
Views:	69
Size:	952.5 KB
ID:	419377
                            Attached Files
                            State-of-the-art PMSM/BLDC motor control solution for aerospace applications and robotics - Télega - Zubax Robotics
                            MOTORS FOR RC SURFACE VEHICLES - NEU RACING​​​​

                            Comment


                            • State-of-the-art PMSM/BLDC motor control solution for aerospace applications and robotics - Télega - Zubax Robotics
                              MOTORS FOR RC SURFACE VEHICLES - NEU RACING​​​​

                              Comment


                              • Tata....

                                I have the three 8 FET phase single bridges half bridges complete. Now all that is left to complete is the logic PCB that contains the Mitochondrik IC and the CAN transceivers, UART connectors and LED indicators etc. Ill have these done in 8 layers so we can test for full current. The PCB footprint is 1ppoxinatel 102mm x 77 mm it will be a modular stack with a separate bridge for each phase to maximize copper within the footprint. The IRLS4030PBF are 100V 152 ampere each. There's a total of 24. You see the A AND B phases have low side current sense in the 2512 form factor I can add many along the B- rail.

                                The fully configurable motor agnostic 100 volt FOC SVC drive wont shy away from an old azz YGE 320 in speed competition. After this ill bring you the six step logic based brain that can do over 100khz pwm.

                                Keep looking
                                because GaNFET and SiCFET versions of both my drives should be really incredible and the one sided smt PCB design with thermal vias will be very easy to manufacture.



                                Thanks
                                Hubert
                                Attached Files
                                State-of-the-art PMSM/BLDC motor control solution for aerospace applications and robotics - Télega - Zubax Robotics
                                MOTORS FOR RC SURFACE VEHICLES - NEU RACING​​​​

                                Comment


                                • Back to the lab because if you dont see it built and running they just sold you fantasies on the keyboard.
                                  State-of-the-art PMSM/BLDC motor control solution for aerospace applications and robotics - Télega - Zubax Robotics
                                  MOTORS FOR RC SURFACE VEHICLES - NEU RACING​​​​

                                  Comment


                                  • The Brains​ can clock at PWM 128KHZ
                                    Attached Files
                                    State-of-the-art PMSM/BLDC motor control solution for aerospace applications and robotics - Télega - Zubax Robotics
                                    MOTORS FOR RC SURFACE VEHICLES - NEU RACING​​​​

                                    Comment


                                    • If Mr T was that amazing you wouldn't have to keep rewinding him to find more efficiency. 😀 With low temp n 52 magnets will fail much sooner than higher end motors. T motors are okay but hardy the best drone motors out there. Cobra and Emax kill it. It isnt all that. Just another boring dual layer wind.



                                      I bet a ferrous piece of metal sticks to the bell with those. thick magnets Still cannot complete a hybrid winding??? 81% ha! you better remove the pyro from Christians typhoon and install it then. Where is the accepted calculations not what he did?


                                      where is the motor versus where its supposed to be based on its current draw and Kt?

                                      Power in electrical CONSUMPTION versus the mechanical power out based on torque and RPM.

                                      what was the Idle current of the first wind versus the second. Share the constants so no one has to trust you. Audiosmart stretches the truth all the time. The yge 320 does 48khz remember????He dropped that in the middle of the www forums then vanished for 90 days after I contact YGE DIRECT and posted their direct response.

                                      YEP!!! has turnigy brains the same way..... you stuck on a brand name but never looked at or understood the actual capability of the embedded hardware....👀

                                      Enjoy the simplistic and SMART six step drone drives. They are quite smart with BLHeli 32 bit FW with flight cards like beta flight in fact..... Click image for larger version  Name:	Jester.gif Views:	0 Size:	401 Bytes ID:	419457 .
                                      Attached Files
                                      State-of-the-art PMSM/BLDC motor control solution for aerospace applications and robotics - Télega - Zubax Robotics
                                      MOTORS FOR RC SURFACE VEHICLES - NEU RACING​​​​

                                      Comment


                                      • Click image for larger version  Name:	fetch?id=419371.jpg Views:	0 Size:	59.2 KB ID:	419460


                                        If you want to impress Scorpion or their engineers run their inverter on their motor. 1 to each stator half. Run the same voltage but half the original capacity to each inverter.

                                        Record the bell Delta Temp/ Delta Time on healthy load for a set duration . Take note of the mechanical out.

                                        Advanced ones are able to play around with the PID or some type of hysterias in the FC or FW to optimize the two inverters switching at 180 degree firing.

                                        I'm giving you great tips and a head start before I take all your shine at the prop on a real bench with mechanical measure not a plane with varying environmental factors at play.


                                        TTYL
                                        Hubert
                                        Attached Files
                                        State-of-the-art PMSM/BLDC motor control solution for aerospace applications and robotics - Télega - Zubax Robotics
                                        MOTORS FOR RC SURFACE VEHICLES - NEU RACING​​​​

                                        Comment



                                        • Click image for larger version  Name:	fetch?id=419461.jpg Views:	0 Size:	57.8 KB ID:	419463
                                          Yes you have pay I guess. It's not scrap iron like their stators 😀 So I guess they not giving them away to you for free???😀That's 600 amperes across the motor. 6 Steps!! You talk about batteries but do no utilize things Like super capacitance. The hybrid wind still utilizes more of the available iron in any motor by reducing the source of the iron loss. That's different than segmentation which does not attenuate the source. The segmented PM helps itself but what about the rest of the rotor iron? See where the theory differs? One eliminates the problem by removing the knife the other is a band aid to stop you from bleeding.. Running two inverters reduce ALOT of stress off the rotor PM.
                                          Click image for larger version  Name:	2.png Views:	0 Size:	297.3 KB ID:	419464





                                          What's your problem there Ralph? You think you know more than the entire field of electrical engineers? You don't see that 2 pole harmonic totally eliminated? Or you waiting for me to do it on the two drives I'm building. Can you show them this simple thing??? A YGE 320 in 2025? WOW That's DUMM! U should listen. If the 2 pole harmonic is eliminated there is no way it generates a sinus

                                          You don't have to listen but from that I know where you are in you winding program. I don't care about the photos . You are behind the semi 6 phase operation which means 4 phases are always active whereas in convention it was only two before. Even the heat sink is perfect for the NACA duct!

                                          Thank You,
                                          Hubert
                                          State-of-the-art PMSM/BLDC motor control solution for aerospace applications and robotics - Télega - Zubax Robotics
                                          MOTORS FOR RC SURFACE VEHICLES - NEU RACING​​​​

                                          Comment

                                          Working...
                                          X